В.Р. Сабанин, Н.И. Смирнов, А.И. Репин
Московский энергетический институт (технический университет),Москва, Россия
АВТОМАТИЧЕСКИЕ СИСТЕМЫ РЕГУЛИРОВАНИЯ НА ОСНОВЕ НЕЙРОСЕТЕВЫХ ТЕХНОЛОГИЙ
АННОТАЦИЯ
Представлены некоторые результаты моделирования автоматических систем регулирования с нейроконтроллерами, функционирующими на основе искусственных нейросетей. Нейроуправление является новым высокотехнологичным направлением в теории управления и получает все более широкое распространение в прикладных задачах автоматизации технологических процессов.
1. ВВЕДЕНИЕ
Последние десять лет в научном и техническом мире идет активное развитие аналитических технологий нового типа. В их основе лежат технологии искусственного интеллекта, имитирующие природные процессы, такие как деятельность нейронов мозга, а также генетические процессы естественного отбора в живой природе. Все большее распространение в прикладных задачах находят искусственные нейронные сети (ИНС) [1].
В сфере автоматизированного управления ИНС находят применение в задачах идентификации объектов, в алгоритмах прогнозирования и диагностики, а также для синтеза оптимальных автоматических систем регулирования (АСР). Для реализации АСР на основе ИНС в настоящее время интенсивно развивается производство нейрочипов (НЧ) и нейроконтроллеров (НК)[2].
В определенном смысле ИНС является имитатором мозга, обладающего способностью к обучению и ориентации в условиях неопределенности. Она сходна с мозгом в двух аспектах. Сеть приобретает знания в процессе обучения, а для сохранения знаний использует значения коэффициентов межнейронных связей, называемых синаптическими весами.
Процедура обучения ИНС состоит в идентификации синаптических весов, обеспечивающих ей необходимые преобразующие свойства. Особенностью ИНС является её способность к модификации параметров и структуры в процессе обучения.
2. ПРИНЦИП РАБОТЫ НЕПРЕРЫВНОЙ МОДЕЛИ НЕЙРОНА
Элементарным функциональным звеном, из множества которых состоит ИНС, является нейрон. В смысле реализуемых им преобразований он является моделью нейрона живого мозга.
Различают непрерывные и импульсные модели искусственных нейронов. В прикладных задачах управления находят применение модели непрерывных нейронов.
Непрерывная модель нейрона работает следующим образом. Входные сигналы, каждый со своим коэффициентом (синаптическим весом)поступают на вход линейного сумматора. Выходной сигнал сумматора поступает на вход активационного нелинейного блока. Обычно активационные блоки ограничивают выходной сигнал нейрона в заданном диапазоне, например [0;1] или [–1;1].
Математической формализацией искусственного нейрона являются уравнение сумматора
![]() |
(1) |
и уравнение активационного блока
, |
(2) |
где, для k-го нейрона,
- входные сигналы;
- синаптические веса;
- уровень опорного сигнала;
- сигнал на выходе линейного сумматора;
- функция преобразования активационного блока;
- выходной сигнал;
На рис. 1 представлена функциональная схема модели искусственного нейрона.
Рис. 1. Функциональная схема модели искусственного нейрона
Множество связанных по входам и выходам нейронов составляет ИНС.
Для описания ИНС используют символьные выражения вида:
, |
(3) |
где g – число нейронов трансляторов в
первом слое ИНС;
- число
нейронов в n
внутренних последующих слоях ИНС;q – число нейронов на выходе ИНС.
Первый слой предназначен для ретрансляции (распределения) информации входных сигналов между нейронами. Каждый нейрон получает информацию с определенным синаптическим весом. Для непрерывных нейронов синаптические веса могут быть положительными или отрицательными.
Преобразование сигналов в ИНС начинается со второго слоя нейронов. Поэтому размерность сети исчисляется от второго слоя. На рис. 2 представлены структурные схемы однослойной и двухслойной ИНС, где нейроны представлены одним кружочком, содержащим сумматор и активационный блок, и связаны между собой информационными каналами. Каждой стрелке соответствует свой синаптический вес. Многослойные ИНС содержат внутренние скрытые слои.
Рис. 2. Виды прямонаправленных ИНС
а) однослойная ИНС; б) многослойная ИНС
Формально не существует ограничений на типы активационных функций. Они могут быть одинаковыми для всех слоев и нейронов или различными. В задачах управления используют сигмоидальные функции (рис. 3).
Рис. 3. Сигмоидальная функция активационного блока
Аналитическим выражением для сигмоидальной функции является гиперболический тангенс
![]() |
(4) |
Таким образом, ИНС предназначена
для преобразования вектора входных переменных
в вектор выходных переменных
. Преобразование осуществляется в соответствии с матрицами синаптических весов
и функциями активационных блоков
.
Подробности и характер преобразования зависят от числа скрытых промежуточных слоев и числа нейронов в них. Из-за нелинейных свойств активационных блоков в сети создаются условия, в которых один или несколько нейронов могут отключаться, обеспечивая изменения в топологии ИНС. Это существенно расширяет спектр преобразующих свойств сети.
3. ОБУЧЕНИЕ ИСКУССТВЕННЫХ НЕЙРОННЫХ СЕТЕЙ
Для получения требуемых преобразовательных характеристик нейронная сеть должна быть настроена. Процедура настройки заключается в подборе значений синаптических весов для заданной топологии сети. Такая настройка называется процедурой обучения или тренировкой ИНС.
Различают два метода обучения: с учителем и стимулируемое самообучение (рис. 4).
Рис. 4. Виды обучения ИНС
а) обучение с учителем; б) самообучение
Обучение ИНС с учителем в теории управления принято называть обучением по эталону. Метод применяется в алгоритмах прогнозирования и диагностики, а также в задачах идентификации объектов управления (рис. 4,а). В такой процедуре обучения для каждого воздействия внешней среды параметры ИНС настраиваются для получения заданной эталоном реакции сети.
Самообучение ИНС представляет процесс настройки параметров с целью достижения экстремального значения заданного критерия функционирования ИНС. Для автоматических систем регулирования это стандартная задача поиска настроечных параметров нейроконтроллера, реализуемого нейросетью (рис. 4,б).
4. ОПТИМИЗАЦИЯ НАСТРОЕЧНЫХ ПАРАМЕТРОВ НЕЙРОСЕТИ
Любой метод определения настроечных параметров требует решения задачи оптимизации. В первом случае это минимизация разбаланса выходов эталона и ИНС. Во втором, для автоматических систем регулирования, минимизация принятого критерия (интегральный критерий для детерминированного воздействия или дисперсия ошибки регулирования для случайного).
Задача оптимизации параметров ИНС является многоэкстремальной и требует специальных приемов для её решения. Для этих целей в настоящее время интенсивно развиваются генетические алгоритмы оптимизации. Однако обучение простых ИНС может быть успешно выполнено с использованием известных алгоритмов оптимизации.
В расчетных примерах авторы использовали для оптимизации настроечных параметров нейроконтроллера алгоритм деформируемого многогранника Нелдера-Мида (АДМ). Как показали расчеты, этот метод позволяет при многократном задании различных исходных данных получить ряд оптимальных решений. Выбирая из них наилучшее можно найти приемлемые параметры, удовлетворяющие требованиям работы сети.
Ниже будут показаны некоторые результаты, полученные от использования ИНС для реализации регулирующих устройств в АСР. Рассматривались как одноконтурные АСР с различным набором входов, так и системы с использованием добавочной переменной состояния объекта.
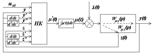
5. СТРУКТУРА СИСТЕМЫ РЕГУЛИРОВАНИЯ С НЕЙРОКОНТРОЛЛЕРОМ
Для исследования была выбрана
простейшая искусственная сеть с одним выходом и с одним внутренним скрытым
слоем. На рис. 5 показана структурная схема системы регулирования, в которой
регулирующим устройством является нейроконтроллер (НК). Для приближения к
реальным условиям работы с исполнительным механизмом
постоянной скорости выходным сигналом нейроконтроллера принято
приращение положения регулирующего органа на каждом шаге решения
.
Для принятого выходного сигнала
сигналами на входе НК в общем случае являются основная и вспомогательная переменные
и
а также их первые и вторые производные, соответственно,
,
,
,
.
Рис. 5. Структурная схема системы регулирования с нейроконтроллером
Нейроконтроллер
реализован в виде простейшей двухслойной ИНС, состоящей из трех нейронов
,
и
.
Структурная схема сети
представлена на рис. 6.
Рис. 6. Структурная схема ИНС нейроконтроллера
Программирование вычислительного ядра анализируемой нейросети производилось для каждого текущего шага вычислений в соответствии с выражениями (1, 2) для принятой структуры (рис. 6). Ниже приведены аналитические выражения функций преобразования сигналов в ИНС.
Первый слой:
первый нейрон ![]() |
, где ![]() |
второй нейрон ![]() |
, где ![]() |
Второй слой:
третий нейрон ![]() |
, где ![]() |
(5) |
6. АНАЛИЗ И СИНТЕЗ АСР С НЕЙРОКОНТРОЛЛЕРОМ
Численный анализ
АСР с нейроконтороллером проводился на имитационной модели. Рассматривались
варианты реализации одноконтурной АСР с двумя входами
,
и тремя
,
и
а также АСР с
нейроконтроллером, имеющим полный набор входов по основной и вспомогательной
переменным, показанным на рис. 5. Рассчитаны также два частных случая,
соответственно, с входами нейроконтроллера
,
,
,
и
,
,
,
.
Для объекта
регулирования (рис.5) выражения для передаточных функций
и
взяты из [3] в виде:
![]() |
(6) |
Настройка синаптических весов ИНС
выполнялась методом самообучения с целью достижения минимума интегрального по
модулю критерия качества с ограничением на заданный запас устойчивости (
)
для ступенчатого воздействия по каналу регулирующего органа
.
Оптимальные значения синаптических весов определялись с помощью алгоритма деформируемого многогранника Нелдера-Мида в полуавтоматическом режиме.Из априори заданных начальных точек находились локальные минимумы. Из множества найденных оптимальных решений выбиралось наилучшее. Окончательно принятые значения синаптических весов ИНС для различных режимов работы нейроконтороллера сведены в табл. 1.
В табл. 2 приведены
характеристики качества работы АСР с нейроконтроллером. Там же, для сравнения,
приведены значения настроечных параметров и характеристики качества работы АСР
с линейными ПИ и ПИД регуляторами,
настроенными аналитическим методом (АМ) на заданную степень колебательности (
)
Качество работы АСР с нейроконтроллером, использующим информацию о вспомогательной переменной, сравнивалось с двухконтурной АСР с ПИ-регулятором и дифференциатором, настроенными известными аналитическими методами (АМ).
Таблица 1.
| № п/п | Режим работы НК | Синаптические веса | |||||||
| w1 | w2 | w3 | w4 | w5 | w6 | w7 | w8 | ||
| 1 | Входы , | -0,200 | -237,4 | - | - | - | - | -0,0837 | - |
| 2 | Входы , ,
| 0,601 | 520,7 | 166581 | - | - | - | 0,071 | - |
| 3 | Входы , , , , ,
| -0,758 | -232,3 | -11,074 | -0,0108 | 346,59 | 83048 | 0,254 | -0,252 |
| 4 | Входы , , , | -0,0196 | -126,93 | - | 0,139 | 162,60 | - | 0,353 | -0,449 |
| 5 | Входы , , , | -1,992 | -522,84 | - | - | -80,708 | -17638 | 0,095 | 1,098 |
Таблица 2.
| Алгоритм регулирования | Метод настройки | Параметры регулирующего устройства | Показатели качества работы АСР | ||||||
| Регулятор | Дифференциатор | ||||||||
|
|
|
|
|
|
|
|
||
| ПИ | АМ | 15,28 | 0,386 | - | - | - | 3,997 | 2,585 | 0,920 |
| НК1 | АДМ | Синаптические веса из первой строки табл.1 | 3,221 | 2,986 | 0,900 | ||||
| ПИД | АМ | 32,87 | 0,820 | 329,3 | - | - | 2,026 | 1,220 | 0,904 |
| НК2 | АДМ | Синаптические веса из второй строки табл.1 | 1,460 | 1,172 | 0,900 | ||||
| ПИ диф | АМ | 31,45 | 1,000 | - | 3,510 | 3,000 | 1,498 | 1,001 | 0,908 |
| НК3 | АДМ | Синаптические веса из третьей строки табл.1 | 0,297 | 0,264 | 0,900 | ||||
| НК4 | АДМ | Синаптические веса из четвертой строки табл.1 | 0,735 | 0,587 | 0,900 | ||||
| НК5 | АДМ | Синаптические веса из пятой строки табл.1 | 0,300 | 0,265 | 0,900 | ||||
Переходные процессы в рассмотренных выше АСР при единичном ступенчатом возмущении по каналу регулирующего органа с настроечными параметрами и показателями качества работы, в соответствии с табл. 1,2 , представлены на рис.7 а, б.
Рис.7. Переходные процессы
Анализ полученных результатов позволяет сделать выводы о перспективности использования нейросетевых технологий для синтеза оптимальных АСР.
1.Генетические алгоритмы, искусственные нейронные сети и проблемы виртуальной реальности / Вороновский Г.К., Махотило К.В., Петрашов С.Н. и др. Харьков. Изд-во Основа, 1997.
2.Бондарь Т.А., Логовский А.С. Нейрокомпьютеры в управлении, Зарубежная Радиоэлектроника, 1997, № 2
3. Смирнов Н.И., Сабанин В.Р., Репин А.И. Оптимизация настроек автоматических систем регулирования с дифференциатором // Труды международ. науч. конф. Сontrol-2003 (наст. изд., С. 159-165).
Назад к списку трудов